E-mail Us

Lösung zur Überwachung der medizinischen IT-System isolierung

Geräte zur Isolierung von medizinischen IT-Systemen und Systeme zur Fehler ortung sind für Operations säle von Kranken häusern, Intensivstation (CCU) und andere wichtige Orte geeignet und können einen sicheren Ort für solche kontinuier lichen Geräte bieten. zuverlässige Energie lösungen.

IT_1.png

IT_2.png


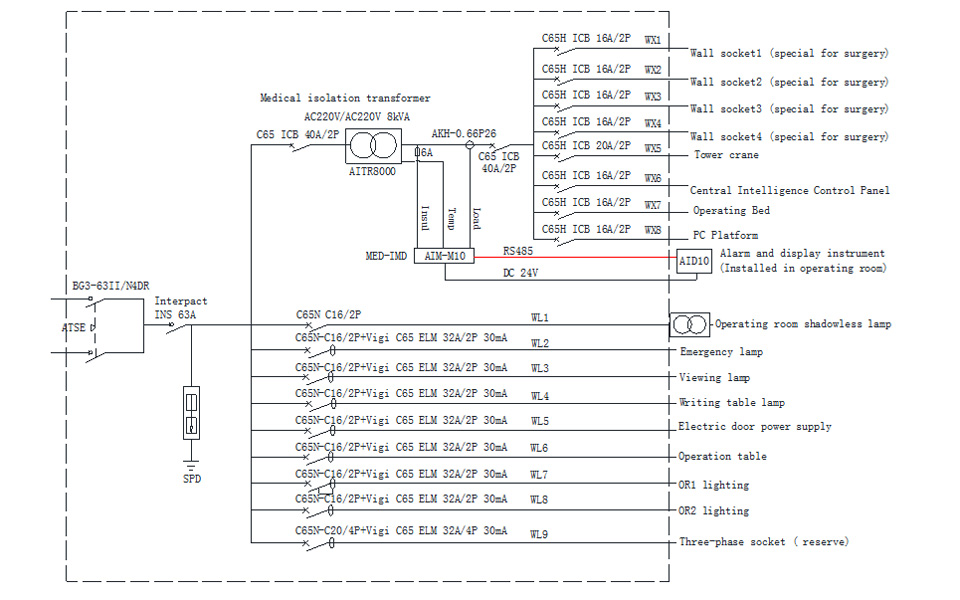
Struktur des intelligenten Energie messers für die Überwachung der medizinischen Isolierung

Acrel Structure


Haupt funktionen des intelligenten Energie messers für die Überwachung der medizinischen Isolierung

1. Primär verbindungs diagramm und Feld verteilungs anzeige

Primary connection diagram and field distribution display Primary connection diagram and field distribution display


2. Echtzeit-Daten erfassung und-anzeige

Real-time data acquisition and display


3. Fehler alarm

Acrel Fault Alarm


4. Remote-Parameter einstellung und Anfrage

Acrel Remote Parameter Setting And Inquiry


5. Grafische Anzeige

Das Kabinett zur Überwachung der medizinischen Isolierung verfolgt den Isolation status und den Lasts tatus sowie die Temperatur der Isolation transformatoren und bietet klare grafische Anzeigen für jedes isolierte Strom versorgungs system, das in verwendet wirdMedizinische isolierte Netzteile. Sein benutzer freundliches Design gewähr leistet eine bequeme Bedienung und effiziente Überwachung.

Produkt auswahl des intelligenten Energie messers für die Überwachung der medizinischen Isolierung

1. AITR-Serie medizinischer Isolation transformator

  • Isolierende Transformatoren für medizinische IT-Systeme

  • Doppelte Isolierung behandlung, elektro statische Abschirmung schicht

  • PT100 Temperatur sensor

  • Nennleistung: 3,15… 10KVA

  • CE-Zeichen


Acrel Aitr Series Medical Isolation Transformer


2. AIM-M10 medizinischer intelligenter Isolation monitor

  • Dämmerungs überwachung für medizinische IT-Systeme

  • Last-und Temperatur überwachung des Isolation transformators

  • Überwachung der Geräte trennung

  • LED-Indikatoren: On, Isolierung, Überlastung, Übertemperatur

  • Alarm relais ausgang

  • Test knopf

  • RS485, MODBUS-RTU


Acrel 2aim M10 Medical Intelligent Insulation Monitor


3. AIM-M100 medizinischer intelligenter Isolation monitor

  • Dämmerungs überwachung für medizinische IT-Systeme

  • Last-und Temperatur überwachung des Isolation transformators

  • Überwachung der Geräte trennung

  • LED-Indikatoren: On, Isolierung, Überlastung, Übertemperatur

  • Alarm relais ausgang

  • Test knopf

  • RS485,MODBUS-RTU


Aim M100 Medical Intelligent Insulation Monitor


4. AIM-M200 medizinischer intelligenter Isolation monitor

<Ul class = "list-paddingleft-2">
  • Dämmerungs überwachung für medizinische IT-Systeme

  • Last-und Temperatur überwachung des Isolation transformators

  • Überwachung der Geräte trennung

  • LED-Indikatoren: On, Isolierung, Überlastung, Übertemperatur

  • Alarm relais ausgang

  • Test knopf

  • Ort der Isolation störung

  • RS485 (MODBUS-RTU) CAN (benutzer definiertes Protokoll)


  • Acrel AIM-M200 Medical Intelligent Insulation Monitor


    5. AID10 Alarm und Display-Instrument

    • Fern überwachung

    • LED-Indikatoren: On, Isolierung, Überlastung, Übertemperatur

    • Stumm schalt taste

    • Test knopf

    • Strom versorgung: DC24V

    • RS485, MODBUS-RTU


    Acrel Aid10 Alarm And Display Instrument


    6. AID120 Alarm und Display-Instrument

    • Fern überwachung

    • LED-Indikatoren: On, Isolierung, Überlastung, Übertemperatur

    • Stumm schalt taste

    • Test knopf

    • Strom versorgung: DC24V

    • RS485, MODBUS-RTU


    Acrel AID120 Alarm and Display Instrument


    7. AID150 Alarm und Display-Instrument

    • Fern überwachung

    • LED-Indikatoren: On, Isolierung, Überlastung, Übertemperatur

    • Stumm schalt taste

    • Test knopf

    • Strom versorgung: DC24V

    • RS485, MODBUS-RTU


    Acrel AID150 Alarm and Display Instrument


    8. ACLP10-24 DC-Strom versorgung

    • Strom versorgung zur AID-Serie

    • AC 220V Eingang, DC 24V Ausgang

    • Komplett isolierter linearer Transformator

    • Einschalten-Anzeige


    Acrel ACLP10-24 DC Power Supply


    9. ASG150 Signal generator

    • Fehlerst andort signal erzeugen

    • Nachweis der Trennung von L1 und L2

    • LED-Indikatoren: On, Comm, L1, L2, Fehler

    • CAN-Bus, benutzer definiertes Protokoll

    • Strom versorgung: DC24V


    Acrel ASG150 Signal Generator


    10. AIL150-4/-8 Isolierung Fehler Locator

    • Isolation fehler ort in AC-IT-Systemen

    • AIL150-4: 4 Mess kanäle

    • AIL150-8: 4 Mess kanäle

    • LED-Indikatoren: On, Comm, L1…L8

    • CAN-Bus, benutzer definiertes Protokoll

    • Strom versorgung: DC24V


    Acrel AIL150-4/-8 Insulation Fault Locator

    11. GGF Medizinische Isolierung Strom verteilungs schrank


    9.jpg

    11.jpg




    Typische Lösung

    1. vierteiliges Set

    Acrel Four Piece Set


    2. fünfteiliges Set

    Acrel Five Piece Set


    3. Sieben teiliges Set

    Acrel Seven Piece Set


    Fotos vor Ort

     Acrel Co Ltd