E-mail Us
amc100 za ac multi channel energy meter
amc100 za ac multi channel energy meter

AMC100-ZA Wechselstrom-Mehrkanal-Energie zähler

  • Überwacht die Spannung, den Strom, die Leistung und die elektrische Energie von 2 unabhängigen eingehenden Leitungen A B

  • 8 digitaler Eingang, 4 digitaler Ausgang

  • 1 Kanal temperatur-und Feuchtigkeit überwachung

  • 3 Kanäle RS485 Modbus-RTU

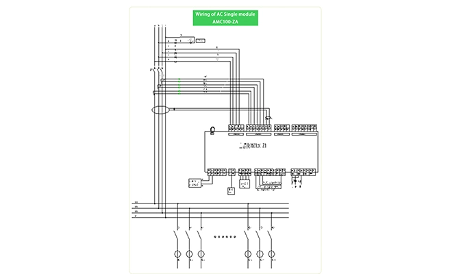
Zeichnungen von AMC100-ZA AC Multi Channel Energy Meter

Vielen Dank für Ihre Aufmerksamkeit auf Acrel
Lassen Sie uns wissen, dass Sie einen intelligenten Energie zähler benötigen.
Acrel wird sich so schnell wie möglich mit Ihnen in Verbindung setzen.
*
*
*