E-mail Us
operating room electrical panels
operating room electrical panels
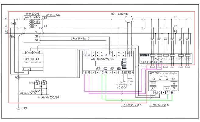
isolation panel for operating rooms
hospital isolation panel wiring diagram

AIM-M300 medizinischer intelligenter Isolation monitor

  • Dämmerungs überwachung für medizinische IT-Systeme

  • Last-und Temperatur überwachung des Isolation transformators

  • Überwachung der Geräte trennung

  • LED-Indikatoren: On, Isolierung, Überlastung, Übertemperatur

  • Alarm relais ausgang

  • Test knopf

  • Ort der Isolation störung

  • Din 35mm

  • RS485 (MODBUS-RTU) KÖNNEN

Zeichnungen des AIM-M300 medizinischen intelligenten Isolation monitors

Spezifikationen des AIM-M300 medizinischen intelligenten Isolation monitors

HilfskraftSpannungDC 18…36V
Strom verbrauch≤ 6W
Isolation überwachungWiderstand15…999kΩ
Messung
Reichweite
Antwort wert50…999kΩ
Relativ± 10%,± 10K
Unsicherheit
Reaktions zeit≤ 3s
Zulässig≤ 5uF
System leckage
Kapazität Ce
Messung≤ 12V
Spannung Um

Messung≤ 5uA
Aktuell Im
Impedanz Zi≥ 200kΩ
Interner Gleichstrom≥ 240kΩ
Widerstand Ri

Zulässig≤ DC280V
Gleichstrom
Spannung Ufg
Temperatur überwachungThermisch2 Pt100
Widerstand
Messung-50…+ 200 ° c
Reichweite
Alarm-Wertebereich0…+ 200 ° c
Aktuelle ÜberwachungAlarm wert5…60A
Messung
Genauigkeit
± 5%


Vielen Dank für Ihre Aufmerksamkeit auf Acrel
Lassen Sie uns wissen, dass Sie einen intelligenten Energie zähler benötigen.
Acrel wird sich so schnell wie möglich mit Ihnen in Verbindung setzen.
*
*
*