E-mail Us
remote power failure alarm
remote power failure alarm
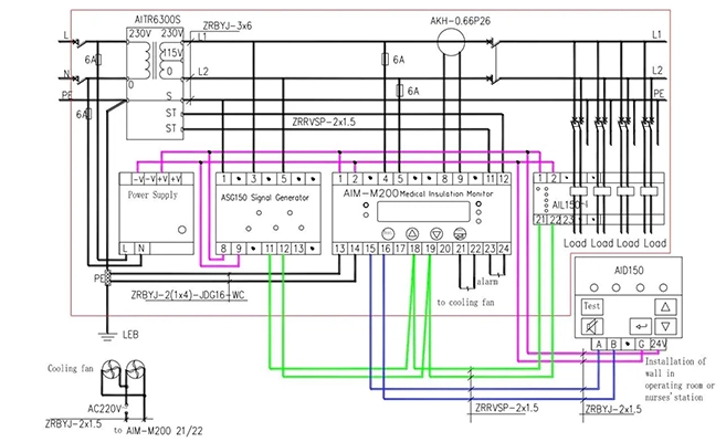
operating room electrical panels
are isolation panels required in operating rooms

Medizinischer Isolierungs-Transformator der AITR-Serie

  • Isolier transformator für Krankenhaus-IT-Strom versorgungs system

  • Doppelte Isolier behandlung

  • Elektro statische Abschirmung schicht

  • PT100 Temperatur sensor Eingebettet in die Wickung

  • CE; IEC 61558-1:2009; IEC 61558-2-15:2011; IEC60364-7-710:2016

Zeichnungen des medizinischen Isolier transformators der AITR-Serie

Spezifikationen des medizinischen Isolation transformators der AITR-Serie

Nenn kapazität
3,15 kVA/5kVA/6,3 kVA/8kVA/10kVA
Frequenz50/60Hz
Nennleistung spannung230V
Die Ausgangs spannung230V/115V
Einschl eich strom<12In
Leckstrom<200uA
Ausgangs spannung ohne Last<235V
No-Load-Ausgangs strom<3% In
Kurzschluss spannung<3% Un
Effizienz> 96%
Maximale Umgebungs temperatur<40
Temperatur anstieg ohne Last<33?
Temperatur anstieg bei voller Last<76?
Spannung standhalten4200 V/Min
Isolier klasseH
Geräusch pegel<40dB (A)


Merkmale des medizinischen Isolier transformators der AITR-Serie

Isolier transformator für Krankenhaus-IT-Strom versorgungs system

● Eingangs strom (IE): <12Ln

● Kurzschluss spannung: <3% Un

● Geräusch pegel: <40dB (A)

● Wirkungsgrad: >96%

Insulation Transformer for Hospital IT Power System

Mehrfache Isolierung behandlung

● Leckstrom: <200μA

● Isolier klasse: H


Multiple Insulation Treatment

PT100 Temperatur sensor Eingebettet in die Wickung

● Therm istor: PT100

● Temperatur messbereich: -50 ° c ~ + 200

PT100 Temperature Sensor Embedded in the Winding


Vielen Dank für Ihre Aufmerksamkeit auf Acrel
Lassen Sie uns wissen, dass Sie einen intelligenten Energie zähler benötigen.
Acrel wird sich so schnell wie möglich mit Ihnen in Verbindung setzen.
*
*
*