E-mail Us
health management information systems
health management information systems
wifi remote alarm
medical isolated power panels
medical isolated power supply
isolated power panels for healthcare facilities

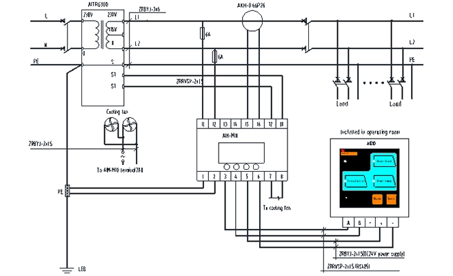
AIM-M10 medizinisches Isolation gerät

  • Dämmerungs überwachung für medizinische IT-Systeme

  • Last-und Temperatur überwachung des Isolation transformators

  • Überwachung der Geräte trennung

Zeichnungen des AIM-M10 medizinischen Isolation geräts

Spezifikationen des AIM-M10 medizinischen Isolation geräts

AUX-LeistungSpannungAC220V ± 10%Temperatur überwachungThermischer Widerstand2 Pt100
Strom verbrauch≤ 5VAMessbereich-50 ~ + 200 ° c
Isolation überwachungWiderstands messbereich10 ~ 999kΩAlarm wert bereich0 ~ + 200 ° c
Antwort wert50 ~ 999kΩAlarmAusgabe modus1 Relais
Relative Unsicherheit± 10%AusgabeKontakt bewertungAC 250V/3A

DC 30V/3A
Reaktions zeit≤ 3sUmweltBetriebs temperatur-10 ~ + 55 ° c
Zulässige System leckage Kapazität Ce≤ 5uFTransport temperatur-25 ~ + 70 ° c
Mess spannung Um≤ 12VLagerte mperatur-25 ~ + 70 ° c
Messstrom Im≤ 50uARelative Luft feuchtigkeit5%-95%, keine Kondensation
Impedanz Zi≥ 200kΩHöhe≤ 2500m
Interner DC-Widerstand Ri≥ 240kΩIP-GradIP30
Zulässige äußere Gleich spannung Ufg≤ DC280VNenn impuls spannung/Verschmutzung sgrad4KV/Ⅲ
Laststrom überwachungMesswert2.1 ~ 50AEMCIEC 61326-2-4
Alarm wert5 ~ 50AKommunikationRS485(Modbus-RTU)
Mess genauigkeit± 5%


Vielen Dank für Ihre Aufmerksamkeit auf Acrel
Lassen Sie uns wissen, dass Sie einen intelligenten Energie zähler benötigen.
Acrel wird sich so schnell wie möglich mit Ihnen in Verbindung setzen.
*
*
*