E-mail Us
health management information systems
health management information systems
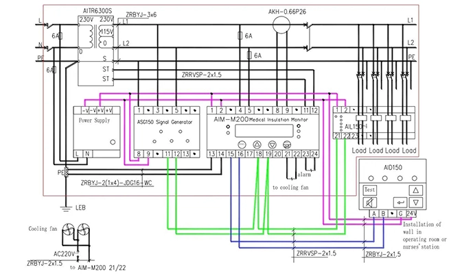
hospital isolation panel
isolated power panels for healthcare facilities
isolation panels in hospitals

AID150 Alarm und Display-Gerät

  • Fern überwachung

  • LED-Anzeige

  • HMI-Schnitts telle für Remote-Parameter-Einstellung & Alarm-Mute

  • IEC60364-7-710:2016; IEC 61557-8-2007; EMC

Merkmale von AID150 Alarm und Display-Gerät

Fern überwachung

(Doppelte Daten des Isolation monitors der AIM-Serie)

● Isolation fehler

● Alarm

● Betriebs nachricht

● Durch RS485 (MODBUS-RTU)

Remote Monitoring

LED-Anzeige

● Ein-Aus-Status von Geräten

● Isolation fehler

● Überlastung

● Über temperatur

LED Indicator

HMI-Schnitts telle für Remote-Parameter-Einstellung & Alarm-Mute

● Reaktions zeit der Isolation überwachung einstellen

● Akustischer Alarm stumm schalten

HMI Interface for remote Parameter Setting&Alarm Mute


Zeichnungen von AID150 Alarm und Display-Gerät

Spezifikationen von AID150 Alarm und Display-Gerät

Parameter/Modell
AID10AID120AID150
HilfskraftSpannungDC 24V
Strom verbrauch<0,6 W
Isolation widerstands messbereich-0-999kΩ-
Isolier alarm wert bereich
50-999kΩ
Transformator-Auslastungsrate-Anzeige-Prozentuale Anzeige-
Aktuelle Alarme in stellungen laden14A, 18A, 22A, 28A, 35A, 45A
Temperatur alarm wert bereich0 ~ 200 ° c
AlarmHörbarer und sichtbarer Alarm
Alarm typIsolation fehler, Überlastung, Über temperatur, Geräte ausfall
KommunikationSchnitts telle RS485, MODBUS-RTU protokoll
Anzeige methode-LED-Anzeige128*32 LCD


Vielen Dank für Ihre Aufmerksamkeit auf Acrel
Lassen Sie uns wissen, dass Sie einen intelligenten Energie zähler benötigen.
Acrel wird sich so schnell wie möglich mit Ihnen in Verbindung setzen.
*
*
*