E-mail Us
multifunctional battery meter
multifunctional battery meter
multifunction meter
multifunction meter price

AMC48L-AV einphasiger Volmeter-Analysator

  • Spannungs messung

  • LED-Flüssig kristall anzeige

  • Einphasiger Voltmeter

Merkmale des AMC48L-AV einphasigen Volmeter-Analysators

Kommunikation

RS485(Modbus-RTU)

Anzeige

LCD-Display, Set Multi pli kation leistung

Bewertetes U & I

EinphaseAC 100V,400V

Genauigkeit

Aktive Energie: Klasse 0,5

Installation

Panel montiert

ac voltage meter

Abmessung (L * W * H)

Platten größe (L × W): 48*48mm

Ausschnitt (L × W): 45*45mm

Tiefe (H): 93mm

Verbrauch

Current: Strom verbrauch <0,5 VA;

Hilfs strom versorgung: Strom verbrauch ≤ 5VA

Hilfs strom versorgung

AC 220V

ac voltmeter


Spezifikationen des AMC48L-AV einphasigen Volmeter-Analysators

Technische ParameterWert
EingabeBewerteter WertWechsels pannung: EinphaseAC 100V,400V
Drei Phase AC 100V,400V,660V(UL-L, nur 72/ 96)
ÜberlastungSpannung: 1,2 mal Nennwert (kontinuierlich); 2 mal Nennwert/1 Sekunde
Current: 1,2-facher Nennwert (kontinuierlich); 10-facher Nennwert/1 Sekunde
Frequenz45Hz ~ 65Hz
Strom verbrauchStrom verbrauch jeder Spannung, Strom eingangs schaltung ist weniger als 0,5 VA
GenauigkeitKlasse 0,5
FunktionAnzeigeLED oder LCD
KommunikationRS485,Modbus-RTU-Protokoll;(1 Start bit,8 Daten bit,1 Stopp bit, keine Parität)
Baud-Rate 2400/4800/9600/19200 bps usw.
Alarm1 Kanal passives Relais, Kontakt kapazität 3A/30VDC,3A/250VAC, verwendet für hohe, niedrige, Unwucht alarm etc.
AnalogDC4 ~ 20mA,(Last <500Ω)
(Hinweis: Abgeschälter Draht wird speziell für den obigen Signale ingang und-ausgang ausgewählt)
SchaltenEingang: 4 Kanal oder 2 Kanal Trocken kontakt Eingang, eingebaute Strom versorgung
Ausgang: 2 Kanal Schalt ausgang, KEIN Relais kontakt, Kapazität: 3A/30VDC,3A/250VAC
Hilfs versorgungAC/DC 85-265V
Strom verbrauch<5VA
Isolation widerstand≥ 100MΩ
Leistungs frequenz standhalten SpannungZwischen Strom versorgungs satz von Klemmen und Signale ingang, Ausgangs satz von Klemmen 2kV/1min (RMS)
Zwischen der Schale und allen Anschlüssen (außer dem Satz von Klemmen Referenz spannung weniger als 40V) AC 4kV
UmweltTemperaturBetrieb: -10 ° c ~ + 55: Lagerung: -25 °C ~ + 70 °C
Luft feuchtigkeit≤ 95% RH, keine Kondensation, ohne ätzendes Gas
Höhe≤ 2500m


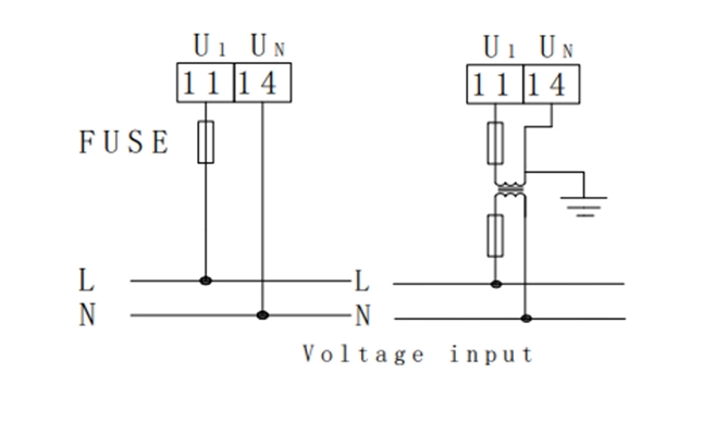
Zeichnungen von AMC48L-AV einphasigen Volmeter-Analysator

Vielen Dank für Ihre Aufmerksamkeit auf Acrel
Lassen Sie uns wissen, dass Sie einen intelligenten Energie zähler benötigen.
Acrel wird sich so schnell wie möglich mit Ihnen in Verbindung setzen.
*
*
*