E-mail Us
signal generator for sale
signal generator for sale
signal generator types
signal generator diagram
signal generator manufacturers

ASG150 Signal Generator Gerät

  • Fehlerlage-Testsignal erzeugen
  • Erkennung von L1 & L2 Abschaltung status
  • LED-Anzeige
  • CAN-Bus Kommunikation
  • IEC 61557-9-2007

Merkmale des ASG150 Signal-Generator-Geräts

Fehlerlage-Testsignal erzeugen

● Standort aktuell: <1mA

● Standort spannung: <25V

Generate Fault Location Test Signal

LED-Anzeige

● On-Off (Verbindungs status von Geräten)

● Kommunikation status

● L1 & L2 Abschaltung status

● Isolation fehler

LED Indicator

CAN-Bus Kommunikation

● Kunden spezifisches Protokoll

● Unterstützung mehrerer Meister

CAN bus Communication


Spezifikationen von ASG150 Signal Generator Gerät

Hilfskraft
SpannungDC24V(± 25%)
Der maximale Strom verbrauch≤ 2VA
System überwacht werdenNennspannung0 ~ 242V AC
Bewertete Frequenz45 ~ 60Hz
Standorts ignaleStandorts pannung<25V
Standort aktuell<1mA
KommunikationBusKANN
ProtokollBenutzer definiertes Protokoll


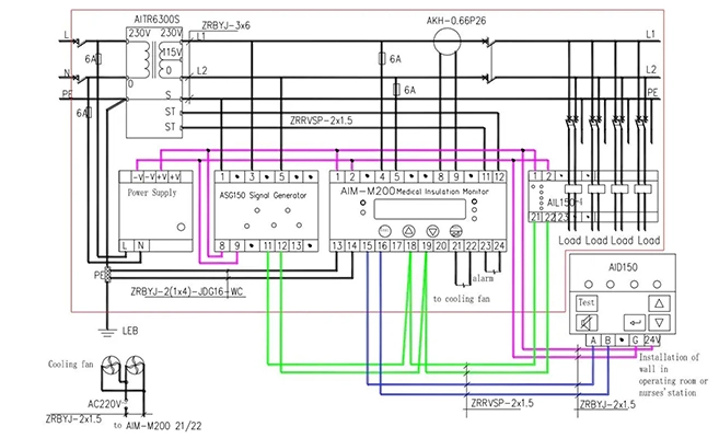
Zeichnungen von ASG150 Signal Generator Gerät

Vielen Dank für Ihre Aufmerksamkeit auf Acrel
Lassen Sie uns wissen, dass Sie einen intelligenten Energie zähler benötigen.
Acrel wird sich so schnell wie möglich mit Ihnen in Verbindung setzen.
*
*
*