E-mail Us
miniature current transformer
miniature current transformer
current transformer small
small current transformer

AKH-0,66 W Mini-Strom transformator für Kupfer linie

  • Ausgabe: 5-20mA

  • Hohe Genauigkeit

  • Kleines Volumen

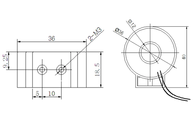
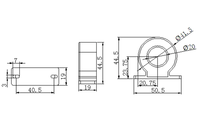
Zeichnungen von AKH-0,66 W Mini-Strom transformator für Kupfer linie

Spezifikationen von AKH-0,66 W Mini-Strom transformator für Kupfer linie

Typ

Verhältnis (A)

Klasse & Belastung
(VA/Ω)
Dia. (mm)
W-75-15/5mA0.20,51Φ 7
10-30/10mA10

5/20mA10

10-15/20mA
10
20-60/20mA
10
W-85-15/5mA10

Φ 8
10-30/10mA10

5/20mA
10
10-15/20mA
10
20-60/20mA10

W-9N50A/50mA10
1Φ 9
W-125/20mA
10
Φ 12
10-15/20mA
10
20/20mA
10
30-100/20mA10

W-205/20mA
10
Φ 20
10-15/10mA
10
20/20mA
10
30-200/20mA10

W-20N(50-100)A/50mA
10
20 X10/1
W-30N(100-200)A/20mA
10
30 X10/1
(200-400)A/50mA10

150A/100mA
10


Vielen Dank für Ihre Aufmerksamkeit auf Acrel
Lassen Sie uns wissen, dass Sie einen intelligenten Energie zähler benötigen.
Acrel wird sich so schnell wie möglich mit Ihnen in Verbindung setzen.
*
*
*